本文聚焦于工作在高電壓范圍的揚聲器輸出電流監(jiān)控電路,該電路使用的主要器件是D類放大器、差動放大器AD8479和ADA4805-1。電路中的電流信息可提供有關電路狀況的有用信息。電流監(jiān)控電路廣泛用于各種儀器儀表領域,以便實現保護、補償和控制。電流監(jiān)控的常見應用有電池監(jiān)控系統(tǒng)、電機控制、過流保護和4 mA至20 mA系統(tǒng),等等。此外,電流監(jiān)控在音頻等商業(yè)應用中也很有用。此類應用之一是監(jiān)控音頻放大器輸出到揚聲器的電流,以便提供音質補償和保護。
音頻放大器必須以高效率、低失真的方式再現輸入音頻信號。在20 Hz到20 kHz音頻頻率范圍內,它應具有良好的頻率響應性能,以便忠實地再現聲音和音樂。音頻放大器可能需要提供從數毫瓦(用于個人音樂播放器和耳機)到數百瓦(家用和商用音響系統(tǒng),如劇院、會堂、室外音響系統(tǒng)等)不等的輸出功率。本文聚焦于工作在高電壓范圍的揚聲器輸出電流監(jiān)控電路,該電路使用的主要器件是D類放大器、差動放大器AD8479和ADA4805-1。
基本的D類放大器信號流程
音頻放大器分為多個類別:A類、AB類、B類和D類。與其他類別放大器相比,D類放大器效率最高,可提供高輸出功率驅動。某些商用D類放大器提供每通道1500 W到每通道6000 W的功率能力。
D類放大器可以簡單地描述為開關放大器或脈寬調制(PWM)放大器。下圖顯示了一個基本D類放大器的信號流程。
典型D類放大器的工作過程是從比較器開始。一個頻率通常介于20 Hz到20 kHz的標準模擬音頻信號與一個高頻三角波形比較以產生PWM信號。隨后,PWM信號驅動輸出晶體管,產生一系列電壓可能很高的脈沖。最后,一個低通濾波器恢復正弦音頻信號。不切換時,通過輸出晶體管的電流為0;低導通電阻降低I2R損耗,從而顯著減少輸出級的總功率損耗。這樣便可實現高效率。

基本D類放大器的信號流程
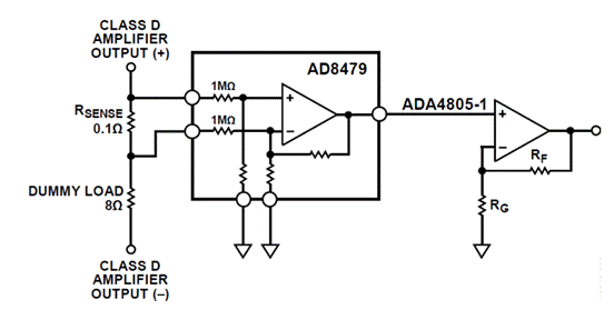
基于AD8479和ADA4805-1電流監(jiān)控電路設計
即使D類放大器具有高效率和高功率運行優(yōu)勢,某些技術仍能改善音頻質量,例如使用反饋和預失真機制。下圖顯示了一個使用反饋機制的基本D類放大器。在反饋機制中,輸出信號(通常來自濾波器)被送至輸入端的誤差校正模塊。誤差校正模塊可以是全模擬式,或者采用數字處理故意使音頻信號預失真,從而校正輸出瑕疵并改善音頻輸出質量。除了揚聲器的固有非線性之外,揚聲器阻抗因為溫度和老化而變化的趨向也可能引起這種瑕疵。

使用反饋機制的基本D類放大器
電流監(jiān)控電路可以獲取要反饋的數據進行誤差校正。選擇適合這種用途的器件的挑戰(zhàn)在于:器件必須足夠魯棒以便接收音頻放大器輸出端的高壓脈沖。AD8479可以滿足這一要求,因為即使存在高輸入共模電壓,它也能工作。電路中還加入了ADA4805-1,作為低失調、低噪聲的模數轉換器(ADC)驅動器。
AD8479是一款精密差動放大器,即使存在高達±600 V的共模電壓,它也能精確測量差分信號。圖3所示的輸入共模電壓與輸出電壓的關系曲線表明了這種能力。它具有以下特性:低失調電壓、低失調電壓漂移、低增益誤差漂移、出色的共模抑制比(CMRR)和寬頻率范圍。在本應用筆記中,AD8479配置為高端電流檢測放大器,用于監(jiān)控D類音頻放大器的電流。AD8479同時具有130 kHz的帶寬,可滿足音頻應用的帶寬需求。

采用AD8479和ADA4805-1的電流監(jiān)控電路
ADA4805-1是一款低輸入失調電壓和低輸入失調電壓漂移軌到軌放大器。ADA4805-1的增益設置為10,產生的輸出電壓通常在下一級的輸入電壓范圍內。下一級通常使用逐次逼近型(SAR) ADC來處理音頻信號。所用的D類放大器為一款25 W到500 W可擴展輸出功率D類功率放大器。該放大器配置±50 V電源電壓,提供1 kHz正弦輸出。AD8479輸出饋送到ADA4805-1輸入,后者用作ADC驅動器,增益為10。電阻容差應較低,以免電路產生較大失調漂移。
對于本電路所用的D類放大器,流經檢測電阻(RSENSE)的電流為4.74 A,產生475.71 mV峰值的滿量程電壓。共模電壓為37.9 V峰值。
電流監(jiān)控的主要誤差源分析
CMRR表示器件抑制各輸入端共模干擾信號的能力。數學上,它指共模增益變化與差分增益之比。如果存在高共模電壓,尤其是當測量小差分信號時,此參數常常是最大的誤差貢獻因素之一。CMRR產生一個對應的輸出失調電壓誤差,該誤差是系統(tǒng)總誤差的一部分。AD8479的額定CMRR為96 dB。另一個誤差源是失調電壓。滿量程信號越小,失調電壓貢獻的誤差越大。
AD8479的輸入失調電壓為1 mV,轉換為ppm時,貢獻滿量程(FS)的2102 ppm。ADA4805-1引入125 μV失調電壓,其乘以增益10,故而失調電壓引起的總誤差為滿量程(FS)的3352 ppm。此外,數據手冊顯示AD8479具有0.02% FS的增益誤差,因而AD8479給電路帶來的誤差為200 ppm FS。
表1和表2分別匯總了AD8479和ADA4805-1的主要誤差源。AD8479失調電壓貢獻的誤差最大,在37.9 V輸入共模電壓下,其為2102 ppm FS。共模電壓貢獻的誤差為1262 ppm FS。這里,對于37.9 V共模電壓和0.1 檢測電阻(參見圖1),失調電壓貢獻的誤差最大,輸入共模電壓次之,不過,如果共模電壓更大,它將成為最大的誤差來源。例如,在250 V共
模電壓下,共模誤差貢獻為8329 ppm FS。對于高電壓D類放大器,這種共模電壓是很常見的。此外,檢測電阻越大,其引起的壓降越大,導致滿量程電壓提高,這最終會降低所有誤差貢獻。

下圖顯示了電流檢測電路的響應測試結果。其中還包括AD8479的輸入電壓、AD8479的輸出電壓和ADA4805-1輸出端的放大信號。大約4.74 A的電流流入檢測電阻和負載。反相輸入端信號約為±38 V,大約±500 mV出現在AD8479輸出端,這顯示了AD8479在高共模電壓存在的情況下測量差分信號的能力。

實測電流和電壓
實時監(jiān)控不僅需要高精度器件,還要求快速響應,以便應對目標電流的突然變化。輸出信號的變化速度必須跟得上輸入信號的變化速度,這就需要在很短的時間內正確解讀揚聲器的電氣狀態(tài),甚至短路事件。
本文小結
D類音頻放大器的電流監(jiān)控電路需要魯棒且合適的器件來提供精確測量。AD8479的高輸入共模電壓范圍為測量D類音頻放大器的典型信號輸出提供了必要的條件。此外,AD8479和ADA4805-1具有充足的帶寬來滿足音頻頻段的工作要求。這些因素加上出色的失調、增益和CMRR特性,使得由它們構成的電流監(jiān)控電路可在此類應用中提供高精度測量。 |